Как подключить стиральную машину автомат без водопровода
Тот, кто попробовал хоть раз пользоваться автоматической стиральной машиной, вряд ли когда-то еще захочет вновь переходить на ручную стирку и полоскание, с трудоёмким отжимом придачу. И подобные бытовые приборы очень быстро «перекочевали» из разряда «экзотических новинок для богатых» в перечень наиболее востребованных «домашних помощников», доступных сейчас большинству семей. Однако, уточним – доступных по цене, но не всегда – по возможности полноценной «классической» установки.

Как подключить стиральную машину автомат без водопровода
А проблема здесь вот в чем – сам алгоритм работы стиральной машины-автомата предполагает ее обязательное подсоединение к напорному водопроводу. Но, к сожалению, далеко не все населенные пункты страны могут похвастать наличием этой привычной для горожан услуги – многие сельские поселения до сих пор живут «по старинке», с получением воды из колонок, колодцев и других автономных источников. Кроме того, немало горожан предпочитает постоянно проводить теплые месяцы года на дачах, где тоже с полноценным водопроводом могут быть проблемы. Как быть в таких случаях? Отказываться от «благ цивилизации»? Вовсе не обязательно! Существует несколько способов, как подключить стиральную машину автомат без водопровода, разной степени сложности и эффективности. Давайте познакомимся с ними – будет возможность выбрать тот, что больше понравится, или больше подойдет для конкретных условий.
Принцип подачи воды в стиральную машинку-автомат
Чтобы понять, что необходимо для корректной работы автоматики стиральной машинки-автомата, как и когда в нее должна подаваться вода извне, следует правильно представлять примерную схему машины и принцип ее работы.
Рассмотрим на несколько упрощенной схеме:

По такой принципиальной схеме собрано подавляющее большинство стиральных машин-автоматов с фронтальной загрузкой.
Вся конструкция собрана в металлическом корпусе (поз. 1). Загрузка белья и извлечение его после стирки производится через фронтальное окно с резиновыми уплотнениями, закрываемое дверцей с прозрачной стенкой (поз. 2). Внутри расположен бак (поз. 3), в котором, в свою очередь, размещен барабан (поз. 4), вращающийся по определенному алгоритму и с нужной скоростью во время стирки и отжима. Приводится он в движение электроприводом (поз. 5). К нашей сегодняшней теме эти узлы не имеют непосредственного отношения, поэтому о них больше и не говорим.
За выработку управляющих сигналов и подачу питания на агрегаты машинки отвечает модуль управления, электронного или электромеханического типа (поз. 6).
Перед началом стирки на машинку открывается напор воды через шланг¸ подключенный к водопроводу (поз. 7). На нашей схеме таких шлангов два – отдельно для подачи холодной и горячей воды, что предусматривается в некоторых современных моделях. Но случай этот, скажем так, нетипичный, чаще встречается вариант с одним каналом подачи — только холодным. И уж тем более не стоит приобретать подобную машинку для условий, где и с подачей холодной воды проблемы… Так что второй шланг просто игнорируем – считаем, что он там один.
Итак, в шланге на входе при стандартном подключении системы уже есть напор, но вода в бак пока не поступает. Все потому, что на ее пути установлены электромагнитные клапаны подачи (поз. 8). Клапанов может быть от одного до трех. Три – это в уже отвергнутом нами варианте с горячей водой. А вот при подаче только холодной – один или два. Почему? Сейчас поясним.
Вода попадает в бак не напрямую, а только через дозатор (диспенсер) для моющих средств (поз. 9). Как правило, в нем три отделения – одно для стирального средства при замачивании белья (если это оговорено программой), второе для того же средства, но для основной стирки, и третье – для ополаскивателя. И, в соответствии с программой, вода должна подаваться в нужное отделение в нужное время.

Переключение потоков воды в диспенсере в стиральных машинах с электромеханическим блоком управления.
Один клапан встречается на машинках с программатором электромеханического типа. На программаторе имеется специальное кулачковое колесо с фигурными вырезами по окружности. В зависимости от формы выемки или выступа на нем в текущий момент изменяется положение так называемого поводка, который связан системой рычагов с краном, переключающим направление потока по отделениям диспенсера. Положение этих рычагов настроено в заводских условиях при настройке машинки.

Направление потоков воды в диспенсере при наличии двух клапанов на холодную воду
Если же клапанов два, то один из них отвечает за подачу воды в отделение для замачивания, а второй – для стирки. Но во время полоскания включаются оба потока и, смешиваясь, они проходят в том числе и через отделение для ополаскивающих средств. Все просто!

Мнение эксперта:
Афанасьев Е.В.
Главный редактор проекта Stroyday.ru. Инженер.
Задать вопрос эксперту
Если точнее, то корректнее говорить об одном устройстве, с одним входом воды, но с двумя выходами, каждый из которых управляется отдельно. То есть правильнее называть, наверное, двухкатушечным клапаном.
Клапаны – нормально закрытые в положении, пока на них не подано напряжение. В нужный момент модуль управления подает питание на нужный клапан, открывая его для прохода воды.
Прошедшая через диспенсер вода через специальный заливной патрубок (поз. 10) попадает уже в бак стиральной машины. Специальный датчик уровня (поз. 11) следит за уровнем воды, и при достижении необходимого заполнения сигнализирует блоку управления, который, в свою очередь, отключает питание от клапанов. Подача воды прекращается. Одновременно с этим подаётся напряжение на ТЭН (поз. 12) для нагрева воды – начинается процесс стирки.
Когда приходит пора слить воду из бака, включается дренажный насос (поз.13). Откачиваемая вежда вначале проходит через гибкий резиновый патрубок (поз. 14), попадая в дренажный фильтр (поз. 15), чтобы возможные загрязнения или инородные предметы не попадали в крыльчатку дренажного насоса. И затем уже, минуя насос, через дренажный шланг (поз. 16) выводится в канализацию или иной сток.
По ходу выполнения программы будет проводиться несколько заполнения и откачек воды. Опять же, модуль управления по заданному алгоритму будет включать (открывать) один из клапанов подачи или оба одновременно – до команды о том, что требуемый уровень достигнут.
Теперь – чуть подробнее о том, что представляет собой сам впускной клапан. Разберем на примере однокатушечного варианта – так проще.

Внешне клапан может выглядеть примерно так.
Модели разных производителей, да и разных артикулов могут иметь различия, например, по компоновке, размерам, расположению основных узлов. Но обязательно у них есть входной патрубок с резьбой ¾ дюйма для подключения заливного шланга, выходной сосок, с внешним диаметром, как правило, 10.5 мм (хотя встречаются и «сюрпризы» от 8 до 12 мм) — для подключения шланга от входа к диспенсеру, и явно видная электромеханическая часть с контактами для подключения проводов питания.
Заглянем «внутрь»:

Устройство клапана подачи воды
1 – патрубок подключения шланга подачи воды – именно его мы видим на задней стенке стиральной машинки.
2 – сетчатый фильтр, не допускающий попадания твердых взвесей в механизм клапана.
3 – переходное отверстие, соединяющие вход в клапан с пространством под мембраной.
4 – сама мембрана, плотно прижатая к седлу клапана и не пропускающая воду в закрытом состоянии.
5 – металлический сердечник (плунжер).
6 – пружина, прижимающая через плунжер мембрану к седлу клапана.
7 – обмотка соленоида (катушка).
8 – контакт для подключения провода питания (показан на разрезе один, но их два, как и положено при использовании однофазного рабочего напряжения 220 вольт).
9 – выходное отверстие, соединяющее пространство под мембраной с выходным патрубком.
10 – выходной патрубок для подключения шланга, идущего к диспенсеру.
Итак, в нормальном, закрытом состоянии, когда напряжение на катушке отсутствует, пружина давит на плунжер, который, в свою очередь, плотно прижимает мембрану к седлу. Мембрана перекрыла все отверстия, проход воды исключен.
При подаче напряжения на катушку соленоида за счет созданного электромагнитного поля плунжер, преодолевая сопротивление пружины, втягивается в катушку, давая «степень свободы» мембране. Давление воды, проникающей через переходное отверстие, отжимает мембрану, открывая тем самым все каналы для поступления воды со шланга подачи далее в диспенсер стиральной машинки.
Как только напряжение с катушки будет снято, электромагнитное поле исчезнет, пружина вновь прижмет плунжер к мембране, закрывающей ток воды.
Вот и вся премудрость. То есть остается решить вопрос, как подать в условиях отсутствия водопровода воду на входной патрубок клапана, так, чтобы и шло полноценное наполнение, и полноценно выполнялась программа стирки.
А вот здесь могут быть нюансы…

Мнение эксперта:
Афанасьев Е.В.
Главный редактор проекта Stroyday.ru. Инженер.
Задать вопрос эксперту
Заметим сразу, что с отводом грязной воды из стиральной машины в тех же «деревенских» условиях никаких проблем возникать не должно. Ее можно отправить по шлангу или трубе в сливную яму, в дренажную канаву, в отдельную емкость – туда, куда удобно хозяевам. Насос откачивает воду по команде модуля управления — для этого не требуется никаких дополнительных внешних условий, тем более что в баке всегда поддерживается обычное атмосферное давление.
Единственное, что требуется соблюсти – наличие петли водяного затвора на дренажном шланге, выше уровня наполнения бака, так, чтобы вода самостоятельно не вытекала из него и исключался «сифонный эффект». Обычно для этого достаточно расстояния от пола до верхнего изгиба в 600 мм. У очень многих моделей дренажный шланг так и закреплён на задней стенке прибора, то есть за это не должна «болеть голова».
Одним словом, подключение дренажной схемы даже в особых условиях обычно не выходит за рамки обычного алгоритма «инсталляции» стиральной машины.
Можно ли установить стиральную машинку-автомат самостоятельно?
А отчего бы и нет? Ничего сверхсложного в условиях, когда имеются и нормально работающий водопровод, и канализация не предвидится. Инструкция по самостоятельной установке стиральной машины-автомата – в отдельной публикации нашего портала. Также читайте про 8 грубых ошибок при подключении стиральной машинки.
Значит, проблемы только с подачей воды в условиях, когда это приходится организовывать принудительно.
Рассмотрим несколько идей, реализованных или предложенных различными пользователями стиральных машин, попробуем их непредвзято оценить. И потом уже можно будет сделать выбор в пользу того или иного варианта.
Варианты подключения стиральной машины-автомата без водопровода
Подключение без вмешательства в устройство стиральной машины
В этом подразделе будут кратко описаны подходы к решению проблемы стирки в условиях отсутствия водопровода, не предполагающее никакого вмешательства в ее устройство и не требующие даже снятия верхней крышки. Это бывает важно для тех пользователей, кто приобрел машинку недавно и не желает лишаться возможностей бесплатного ремонта и обслуживания в течение действующего гарантийного срока.
Впрочем, не исключено, что подключение стиральной машины в условиях, не соответствующих рекомендациям прилагаемого к прибору руководства, уже само по себе может быть расценено, как грубое нарушение правил эксплуатации. И повлечь за собой отказ сервисных работников в гарантийном обслуживании. Такие случаи были.
Так что для дачных условий, думается, будет правильнее использовать стиральную машинку «со стажем», безусловно, полностью работоспособную. Но уже без надежды на гарантию. Это может быть собственная машинка, ранее верно служившая, но вытесненная более современной моделью. Другой вариант – это приобретение машинки, бывшей в употреблении. Таких предложений очень много, и цены на б/у технику встречаются просто «смешные».
Закончим это небольшое отступление, и перейдем уже непосредственно к разбору вариантов.
Самое простое – надежда только на руки и чуткий слух
Это вариант для тех, кто решительно не желает ничего менять и у кого, по всей видимости, уйма свободного времени. А потому, что во время стирки владелец машинки будет «привязанным» к ней.
Суть метода заключается в том, что вода будет подаваться в бак вручную непосредственно через диспенсер. То есть до начала стирки предстоит организовать какой-то немалый запас воды, литров 50÷80 (зависит от модели прибора и выбранного режима) в «шаговой доступности». А для заливки можно воспользоваться, например, объемным ковшиком.
А когда начинать и заканчивать заливку воды? Вот именно здесь и потребуется внимательность и чуткий слух. Дело в том, что срабатывания клапанов (втягивание плунжера в соленоид) сопровождается весьма чувствительным характерным щелчком. Раз клапан открылся – требуется немедленная подача воды.

Самое простое, но, пожалуй, и самое неудобное решение – ручная заливка воды в бак стиральной машины.
Как только требуемый уровень заливки будет достигнут, клапаны сработают на закрытие, что также будет проявлено характерным звуком. Подача воды вручную должна быть прекращена. Машинка начала вращать барабан – стирка пошла.
Но расслабляться рано – по ходу стирки машинка может еще потребовать воды, например, после процедуры замачивания при переходе на основной процесс. Так что нужно быть начеку.
В процессе нагрева воды ТЭНом и основной стирки пополнения воды, как правило, не требуется. Но вот с началом полоскания нужно быть особо внимательным и «работоспособным», так как расход предстоит большой.
Какие видятся явные недостатки такого подхода:
- Нужно постоянно быть начеку – другими делами по серьезному не займешься. То есть пару часов придется посвятить стирке. Причем, с немалыми физическими затратами. И это уже явно не «автомат» …
- Некоторые модели стиральных машин наверняка просигнализируют об ошибке и остановятся – им такой подход «не понравится».
- Наконец, клапаны при открытии потребляют энергию, греются, и прохождение воды через них в нормальных условиях обеспечивает должный теплоотвод (охлаждение). При его отсутствии (а именно так и получается) существует риск перегрева катушки с выходом клапана из строя.
Одним словом, вариант в принципе возможный, но крайне нежелательный.
Берем в «союзники» силу тяжести
Это решение вроде бы напрашивается само собой – если поднять емкость для чистой воды над стиральной машинкой, то поступление при открывшемся клапане должно осуществляться, так сказать, самотеком, под воздействием силы тяжести. Иными словами, по принципу старого умывальника: открыл кран — и вода потекла.
Все это хорошо «на словах», а когда касается практического применения, то картина не столь «радужная».

Казалось бы, что проще: вода свободно течет в стиральную машину из расположенного выше бака… Оказывается, есть важные нюансы.
Схема действительно может получиться рабочей, но только в том случае, если создаваемое давление «устроит» впускной клапан и блок управления стиральной машины. Проблема в том, что даже сработавшему клапану требуется какое-то минимальное давление воды. Вспомним его строение – от заливного патрубка в подмембранную область проходит очень тонкий канал. Его задача – приподнять мембрану при ушедшем в соленоид плунжере и тем самым обеспечить нормальный поток воды с требуемой производительностью (количеством литров в минуту). Такая мера предусмотрена для защиты от резких скачков давления (по сути – от гидравлических ударов) в гибкой подводке и самом клапане с подключенным к нему шлангом, идущем к диспенсеру. То есть мало открыть клапан электромеханическим устройством (солениидом) – требуется еще обеспечить некоторое давление на входе, чтобы отжать мембрану.
В разных моделях машин это минимальное давление может варьироваться. Так, опытные мастера утверждают, что необходимо:
- Порядка 0,3 бар для машин брендов LG, Daewoo, Samsung, Electrolux, Zanussi.
- Около 0,4 бар для большинства моделей, Whirlpool, Indesit, AEG, Ariston, Candy, Beko.
- Около 0,5 бар требуют стиральные машины германских марок Bosch и Miele.
- При давлении менее 0,6 бар может отказаться работать стиральная машина белорусского бренда Atlant.
- Напор в 0,8 бар (а то и все 0,9 — своеобразный рекорд) – условия корректной эксплуатации некоторых моделей стиральных машин машины марки Kuppersbusch.
Для некоторых, подзабывших курс школьной физики, эти величины могут не показаться сколь-либо «пугающими». Поэтому давайте переведём их в более «осязаемое» измерение.
Итак, 1 бар примерно (с очень незначительным округлением) соответствует одной технической атмосфере. А та, в свою очередь, равно 10 метрам водяного столба.

Мнение эксперта:
Афанасьев Е.В.
Главный редактор проекта Stroyday.ru. Инженер.
Задать вопрос эксперту
Часто в технической документации встречается указание давления в кило- или мегапаскалях (кПа или МПа). Для справки: 1 МПа = 1000 кПа ≈ 10 тех.атм. ≈ 10 бар.
Или 1 тех.атм. = 98 (≈100) кПа = 0,098 (≈0.1) МПа.
То есть даже для достижения давления воды «самотеком» даже при минимальных 0,3 бар потребуется поднять емкость с водой так, чтобы между ее выходным патрубком и входом в клапан получилась разница высот в три метра. Это уже немало, согласитесь, даже при выносе бака, скажем, на чердак одноэтажного дома. Можно еще представить теоретически, как в дачных условиях обеспечивается давление в 0,4÷0,5 бар (перепад высот порядка 4÷5 метров). Но вот подъем емкости на высоту в шесть ÷ восемь метров — это уже немалая проблема. Тем более что эту емкость требуется еще и наполнить водой.

Мнение эксперта:
Афанасьев Е.В.
Главный редактор проекта Stroyday.ru. Инженер.
Задать вопрос эксперту
Конечно, если речь идет, например, о трехэтажном здании, да еще и с чердаком, то проблема не станет столь острой. Но что-то мне подсказывает, что у хозяев, способных построить и содержать трехэтажный особняк, хватит средств и для создания в своих владениях полноценного напорного водопровода.
А в том случае, если через клапан все же будет кое-как протекать вода, корректная стирка все равно не гарантируется. Мало того что она вместо заявленных, например, полутора часов растянется на все три – это еще полбеды. Велика вероятность варианта, что это «не понравится» модулю управления. По оценке скорости наполнения бака, если это занимает не положенные несколько минут, а в три-четыре раза больше, может выскочить диагностическая ошибка, говорящая о том, что нет поступления воды, и программа будет заблокирована.

Коды ошибок у различных марок машин могут отличаться – эту информацию стоит поискать отдельно. На иллюстрации – пример ошибки Е02 стиральной машинки Candy, говорящей как раз о том, что превышено нормальное время наполнения бака водой.
Итак, простое размещение бака с водой выше уровня машинки – это возможный, но явно не всегда реализуемый на практике вариант.

Мнение эксперта:
Афанасьев Е.В.
Главный редактор проекта Stroyday.ru. Инженер.
Задать вопрос эксперту
Наверное, стоит еще раз подчеркнуть для выбравших этот путь. Давление в метрах определяется не высотой расположения бака над землей, а разницей высот между клапаном машинки и выходным патрубком наполненной емкости. Например, размещение бака на чердаке одноэтажного дома хорошо если даст 0,2 бар для стиралки, установленной на первом, а может быть еще и меньше.
И еще один нюанс – нельзя забывать про гидравлическое сопротивление труб и, в особенности, запорной арматуры, тройников, отводов и т.п. А оно способно «сожрать» весьма значительную часть и без того слабого напора. Если вы все же решили реализовывать именно такой вариант, на свой страх и риск, то желательно использовать трубу не менее ¾ дюйма (можно и больше), и постараться обойтись минимумом «фасонины» на участке от бака к машинке.
На помощь силе тяжести приходит электричество
Если имеются условия создать хотя бы минимальный напор, скажем, в 0,2 бар, то можно попробовать его усилить, довести до требуемого минимума. И тогда вопрос, по сути, будет решен.
Для этих целей можно использовать специальный насос, название которого говорит само за себя – для повышения давления. Выбор таких изделий достаточно широк, и вполне можно подобрать ту модель, которая устроит по всем параметрам создаваемого на выходе напора и производительности. Стоит обратить особое внимание на «умные» насосы, укомплектованные по умолчанию так называемым датчиком потока.

Насос для повышения давления с хорошо заметным датчиком потока (блок зеленого цвета).
Как это работает? Насос должен быть установлен перед стиральной машинкой, и желательно – несколько выше ее. К нему на вход подключается шланг, идущий от накопительной емкости.
Такие насосы, как правило, имеют ручной и автоматический режимы работы, и нас интересует именно автоматический. Подобная опция позволяет запускать прибор именно тогда, когда требуется напор воды. В нашем случае – при открытии автоматикой стиральной машинки впускного клапана.
Питание насоса связано с датчиком потока. При открытии клапана вода начинает течь по трубе, пусть и с небольшим давлением. Но этого, при правильном выборе прибора, должно быть достаточно для того, чтобы насос тут же включился – датчик потока замкнет питание на привод. Как только клапан будет перекрыт – поток воды остановился, и насос выключился. И так далее – по алгоритму стирки и полоскания.
Здесь важно не допустить ошибки в таком плане – сам по себе подобный насос неспособен перекачивать воду из какой-то емкости – ему обязательно требуется «опора» на уже существующий минимальный напор. Например, для очень многих моделей этот нижний порог составляет около 0,2 бар. Ну а поднятие емкости с водой на такую высоту (2 метра) не выглядит чем-то «сверхъестественным», все решаемо.
Не следует ждать от таких насосов и каких-то запредельных величин напора и производительности на выходе. Однако, даже самые компактные модели способны выдать порядка 0,8÷1,0 бар с расходом в 20÷30 литров в минуту. А этого уже в полной мере достаточно для практически любой стиральной машины.
В качестве примера можно привести очень популярную модель Grundfos UPA 15-90.

Насос для повышения давления Grundfos UPA 15-90
Модель известной датской компании GRUNDFOS, одного из мировых лидеров в сфере производства насосного оборудования.
Этот прибор рассчитан на ручной и автоматический режим работы. Он не может похвастать какими-то внушительными характеристиками, но зато очень надежен. Как правило, его устанавливают перед каким-то конкретным местом водозабора. Отлично подойдёт и для стиральной машинки. Минимальное давление на входе должно быть 0,2 бар. На выходе получаем 0,9 бар, что с лихвой достаточно для любой стиралки.
Потребляемая мощность – 110 Вт. Реле потока срабатывает при расходе порядка 2 литров в минуту – это довольно тонкая струйка. А на выходе, если накопительный бак заполнен, будет порядка 25 литров в минуту. То есть тоже удовлетворяет требованиям любой стиральной машины.
Насос имеет защиту, в том числе от холостого хода. То есть если по невнимательности хозяев в накопительном баке закончится вода, прибор просто отключится. Да, стирка останется незавершённой, но зато и насос не сгорит.
Насос Grundfos UPA 15-90
Итак, вполне жизнеспособный и довольно легко реализуемый вариант. Правда, без размещения емкости на определенной высоте – не обойтись.

Мнение эксперта:
Афанасьев Е.В.
Главный редактор проекта Stroyday.ru. Инженер.
Задать вопрос эксперту
Еще раз подчеркиваем – такие насосы неспособны самостоятельно перекачивать воду. Они рассчитаны именно на повышение напора в системе, с опорой на уже имеющийся минимальное давление. В сети можно встретить случаи, когда пользователи жалуются не то, что «потерпели фиаско» с таким подключением машинки. А потом на фотографии демонстрируют, что повышающий насос расположен на полу около стиральной машины и пытается перекачать в нее воду из стоящей рядом же емкости с водой. Удивляться не приходится – это и впрямь нерабочая схема.
Для чего применяются и как устроены насосы повышения давления воды?
Это – очень полезный помощник для хозяев жилья, где существуют проблемы с напором воды. Области применения, типичные схемы установки, классификация по устройству и параметрам, правила выбора, популярные модели – все это в отдельной статье нашего портала, посвящённой насосам для повышения давления воды.
Использование «тандема»: внешний насос плюс реле давления
Что делать, если разместить емкость с водой на нужной минимальной высоте не получается? Можно ли подавать воду в стиральную машину из какого-нибудь бака, расположенного рядом с прибором или на незначительном возвышении? А если рядом есть колодец?
Можно, но насос будет нужен уже другой – или погружной, или поверхностный самовсасывающий. Понятно, что погружной располагается непосредственно в емкости в районе ее дна (или в колодце), , а поверхностный подключается к шлангу, идущего от патрубка, врезанного в нижней части бака, или же его всасывающий ирукав опускается в емкость (колодец). И в том, и в другом случае насосы способны создать на входных клапанах стиральной машины требуемое давление.

Вполне вероятно, что хозяевам загородного участка даже не придется покупать насос – такие приборы погружного или поверхностного типа очень широко применяются для полива.
Такие насосы очень часто уже имеются в инструментальном «арсенале» владельцев загородных домов и дач, в частности, они широко применяются для оросительных целей. Как правило, они достаточно компактны, легко устанавливаются и подключаются, просты в управлении. Так что если назрела необходимость в стирке белья, будет несложно принести и установить такой насос, временно перенаправив его с аграрных на бытовые цели.
Верный помощник огородника – насос для полива!
Пользу подобных приборов в условиях загородного дома – сложно переоценить! Помимо своего прямого предназначения, они способны справиться еще с массой хозяйственных задач. Подробнее о насосах для полива – в отдельной публикации нашего портала.
Но как автоматизировать процесс подачи воды таким насосом в стиральную машину? Решение имеется – эту функцию возьмет на себя реле давления. Именно это устройство будет включать и отключать насос в зависимости от давления в шланге от насоса до входного клапана.

Электромеханическое и более современное электронное реле давления – замыкает и размыкает цепь питания насоса в зависимости от уровня давления на отслеживаемом участке шланга (трубы).
Реле предварительно настраивается на два показателя давления – верхний и нижний. И в дальнейшем работает так: если уровень давления падает за пределы нижней границы – цепь питания насоса замыкается. Если же достигнут верхний предел – цепь размыкается, насос останавливается.
Как это устанавливается и будет действовать на стиральной машинке?

Принципиальная схема подключения насоса к стиральной машинке с автоматизацией работы через реле давления.
На напорном шланге от насоса к стиральной машинке монтируется тройник, к третьему выходу которого подсоединяется своим единственным штуцером реле давления. То есть отслеживаться давление будет именно на этом участке. Провод питания насоса подключается к соответствующим клеммам реле, а к ответным контактам коммутируется кабель питания от сети 220 вольт.
Реле изначально настраивается на верхнее и нижнее давление. В нашем случае, скажем, нижнюю границу давления можно установить в 0,8 бар, верхнюю, например, в 2,5 бар. Важно – верхний порог не должен быть выше номинального напора, создаваемого насосом, в соответствии с его техническими характеристиками.
Итак, схема собрана, питание подключено. Насос кратковременно заработает, и нагонит в напорном участке давление до верхнего предела. Воде пока деваться некуда – вперед ее не пускает клапан заливки на стиральной машинке, назад – обратный клапан насоса. Поэтому верхний порог будет достигнут быстро, и реле размокнет цепь питания.
Началось выполнение программы. Клапан заливки воды открывается, и имеющегося в шланге давления в 2,5 бар вполне достаточно, чтобы приподнять мембрану – вода пошла в диспенсер. Стало быть, давление на контролируемом участке начинает стремительно падать, доходит до нижней границы в 0,8, и в этот момент реле включает насос. Он, в свою очередь, будет гнать воду до того момента, пока клапан заливки не закроется, и давление в шланге вновь не поднимется до отметки 2,5 бар.
И так далее.

Мнение эксперта:
Афанасьев Е.В.
Главный редактор проекта Stroyday.ru. Инженер.
Задать вопрос эксперту
Схема вполне рабочая, но тоже не без недостатков. Она ничем не защищена от гидравлических ударов при пуске насоса и его резкой остановке. Кроме того, стремительно изменяющееся давление на довольно коротком участке трубы (шланга) может привести к очень частым включениям и отключениям насоса в процессе даже отдельно взятого набора воды. И в таких условиях насос можеь долго не проятнуть…
Эта проблема устраняется установкой расширительного бачка мембранного типа. Но вот только схема получается уж слишком дорогой и сложной, если ее рассматривать только для стиральной машины.
Возможно, оптимальным решением станет приобретение компактной полноценной насосной станции, совмещающей в общей компоновке и сам насос, и реле давления, и небольшой расширительный бачок. В качестве примера можно глянуть на модель бренда UNIPUMP АКВАРОБОТ QB 60.

Насосная станция UNIPUMP АКВАРОБОТ QB 60
Эта установка при вполне умеренном потреблении энергии (370 Вт) способна обеспечить подъем воды с глубины 5 метров и создать на выходе напор в 3,3 бар с производительностью до 30 литров в минуту. То есть устраивает по всем параметра для обеспечения водой стиральной машинки. Встроенный гидроаккумулятор (расширительный бак) имеет объем 2 литра – этого вполне достаточно. При вся станция (с чугунным корпусом насоса) в сборе весит всего 7,5 килограмма.
UNIPUMP АКВАРОБОТ QB 60
Безусловно, приобретение подобной станции – это дополнительные траты. Но зато проблема автоматической стирки в «деревенских» условиях будет решена полностью и окончательно.
Тому, кто желает разобраться в вопросах поддержания давления в домашней автономной водопроводной системе…
Этот блок информации довольно интересен, и позволит многим владельцам загородных домов «открыть глаза» на вопросы автономного водоснабжения. В одной из публикаций нашего портала рассказывается, что такое насосная станция и как выбрать оптимальную модель. А в другой развернутой публикации подробно разобраны проблемы настройки давления в домашнем водопроводе, в том числе устройства и самостоятельной регулировке реле давления.
Включением внешнего насоса будет руководить блок управления стиральной машинки
Действительно, может не полагаться на какие-то дополнительные устройства – датчик потока или реле давления? Может, поручить управление внешним насосным оборудованием самой машинке?
Это в самом деле можно реализовать. И тоже несколькими способами, различной степени сложности, надежности и безопасности.
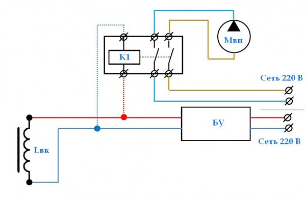
Подключение насоса непосредственно в цепь выпускного клапана.
Казалось бы, готовое решение так и напрашивается. На впускные клапаны подается переменное напряжение 220 вольт, насос требует такого же, так чего голову ломать? Достаточно параллельно врезать в цепь управления клапанами цепь питания насоса – и оба устройства будут срабатывать синхронно.

Принципиальная схема включения внешнего насоса непосредственно в цепь впускного электромагнитного клапана.
На схеме условно показаны:
БУ – блок управления стиральной машины. На него подается стандартное бытовое электропитание напряжением 220 вольт.
Lвк – катушка впускного клапана, на которую подается управляющее напряжение 220 В.
Мвн – внешний насос (неважно какого типа), подающий воду из какого-то бака на входной патрубок клапана.
Реализуется это на практике тоже довольно просто. Достаточно снять верхнюю крышку стиральной машинки, найти провода, идущие к клапану (там ошибиться сложно), и припаять (соединить через клеммы) к ним провода, уходящие на питание насоса.

Вот такой вариант предложил один из пользователей, решивший, по его мнению, эту проблему.
Если клапанов два, то такое подсоединение производится к обоим линиям их питания. Но здесь чрезвычайно важно не допустить короткого замыкания, не перепутать фазу и ноль. В помощь будет цветовая маркировка проводов. Но, помимо этого, не помешает проверить «распиновку» еще и тестером (индикаторной отвёрткой). Как это делается – здесь пояснять не будем, лишь выскажем мнение, что если вы не знаете таких простых вещей – ни в коем случае не беритесь за переделку электросхемы стиральной машины.
Итак, в итоге получается, что при подаче управляющего напряжения 220 на впускные клапаны, с этой линии снимается напряжение и на насос, который запустится одновременно с открытием клапана.
Все выглядит довольно просто и надежно. Но если разобраться — схема очень и очень рискованная. Дело в том, что в цепь включается дополнительная нагрузка, и весьма немалая. Потребление внешних насосов обычно оценивается в несколько сотен ватт, тогда как потребляемая мощность клапана — 8÷10 ватт. Поэтому далеко не факт, что реле (ключ) в схеме управления или даже токопроводящие дорожки на печатной плате «электронных мозгов» выдержат такую токовую нагрузку без последствий. То есть в ответ на переделку очень запросто можно получить выгорание платы, и это еще хорошо, если без более тяжелых последствий.
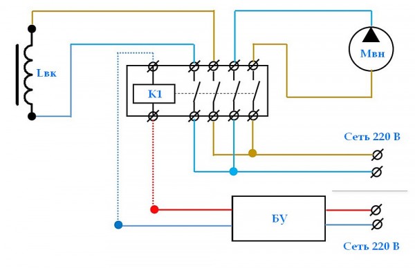
Управление насосом осуществляется через реле
Чтобы не допустить последствий, упомянутых в предыдущем подразделе, можно подать на насос отдельную линию питания 220 В. Но она будет замыкаться через реле, получающем управляющий сигнал с линии подачи питания от блока управления стиральной машинки на электромагнитные водяные клапаны.
Вот как это будет примерно выглядеть на принципиальной схеме:

Схема подключения внешнего насоса через реле с двумя парами контактов
Многие элементы схемы уже описаны выше. Вновь появившиеся – это отдельная линия питания насоса 220 В, и реле К1.
Если клапанов два (а так чаще всего и встречается), то схема тоже «удваивается». То есть на каждый клапан идет своя пара проводов, понадобится второе реле, подключённое аналогичным образом. Линия питания насоса остается одна, но параллельно заведена на контакты обоих реле. А вот на выходе – подключается к тому же насосу Мвн. Вот именно здесь необходимо будет особо тщательно проверить, чтобы фаза не встретилась с нулем при одновременном срабатывании обоих клапанов и, соответственно, обоих реле.
Понятно, что реле требуется с управляющим напряжением 220 вольт и с парой контактов, также рассчитанных минимум на 220 вольт и ток не ниже 10 ампер. Предложений много – есть возможность выбрать оптимальный вариант.

Мнение эксперта:
Афанасьев Е.В.
Главный редактор проекта Stroyday.ru. Инженер.
Задать вопрос эксперту
Внимание! Нечасто, но встречаются модели стиральных машин, в которых для управления электромагнитными впускными клапанами используется не 220, а иное, более низкое напряжение. Обязательно уточните этот момент, чтобы приобрести реле с соответствующим номиналом управляющего напряжения.
В роли реле прекрасно зарекомендовали себя модульные контакторы. Они показывают отменную надежность, и их несложно разместить внутри стиральной машинки, закрепив на стенке небольшую DIN-рейку. Например, в нашем варианте можно использовать модель IEK КМ20-20М AC (MKK11-20-20). Она отличается отличным быстродействием, огромным эксплуатационным ресурсом, нанимает всего одну модульную позицию.

Модульный контактор IEK КМ20-20М AC (MKK11-20-20)
Управляющее напряжение – 220 вольт переменного тока (АС). Две пары контактов рассчитаны на переменный ток до 20 А номинальным напряжением 220 вольт. То есть прибор полностью удовлетворяет планируемым условиям его установки и эксплуатации.
Понятно, что при двухкатушеченом клапане стиральной машины таких контакторов потребуется тоже два. Но много места они не занимают.
Безусловно, такое решение получается довольно затратным (контакторы не настолько дешевы), но надежность схемы – гарантирована.
Модульный контактор IEK КМ20-20М AC
Можно поискать аналогичные модели других брендов и несколько иной компоновки – не исключено, что цена будет и значительно пониже.
Ниже в видеосюжете показан пример использования модульных контакторов для переделки стиральной машинки под «деревенские условия».
Видео: Подключение стиральной машинки без водопровода с использованием схемы с модульными контакторами.
Кстати, в этом видео как раз демонстрируется та ошибка, о которой уже говорилось выше. А именно: внешний насос с вполне приличным номиналом выходного напора в 10 метров (1 бар) не смог «продавить» открывающийся клапан. И поэтому мастер пошел по пути полного демонтажа клапана. Одновременно с этим ему вынужденно пришлось отказаться от опции перенаправления потоков воды в диспенсере, что уже лишает стирку определенного удобства.

Насос повышения давления при такой установке, без минимально необходимого напора на входе, оказался неспособен подать воду в машинку через клапаны.

Мнение эксперта:
Афанасьев Е.В.
Главный редактор проекта Stroyday.ru. Инженер.
Задать вопрос эксперту
А причина, по всей видимости, в том, что насос повышения давления расположен практически на одном уровне с накопительным баком. То есть избыточное давление воды на входе близко к нулю. Насосу не на что «опереться», ему, как мы помним, требуется хотя бы пару метров напора. И он растрачивает весомую часть своего потенциала на несвойственную для него функцию всасывания воды. Плюс к тому, насос расположен на полу, и лишний метр напора «съедается» еще отрезком шланга на подъеме до входа в машинку. Вот и получается, что давление на клапане слабое – оно явно недотягивает до заявленных 10 метров.
Мастеру бы поднять бак повыше, к потолку, сам насос разместить над стиральной машиной и использовать более толстые шланги (гибкая подводка, показанная в видео, все же способна создать весьма значительное гидравлическое сопротивление). И такая схема обретет полную работоспособность – можно будет вернуть клапаны на место.
* * * * * * *
Чтобы завершить вопрос с управлением насосом через реле или контактор, обратим внимание еще на один нюанс.
При подготовке к написанию этой публикации автору пришлось вдоволь «побродить» по интернет-форумам мастеров, обсуждающих заявленный в названии вопрос. И встретилось в нескольких источниках, что нагрузка, создаваемая в линии управления клапанами даже при использовании реле тоже может стать критической для элементов схемы и (или) дорожек печатной платы модуля управления машинкой. Она рассчитана на прохождение тока через одну индукционную катушку (клапан), а получается две (клапан и реле). Вроде бы немного, но, как утверждают участники форумов, отмечались случаи сначала перегрева, а потом и перегорания дорожек или контактов на плате.
Чтобы гарантированно избежать такого явления, можно схему несколько изменить.

Возможно, «перестраховочная» схема — с четырехполюсным реле или контактором.
В такой схеме питание из блока управления будет подаваться не на клапан (эта часть цепи вообще отсутствует), а на управляющую катушку реле или контактора. А на контакты реле заведены провода независимой от машинки линии питания 220 вольт. На два контакта запараллелена фаза, и на два – ноль.
Когда блок управления подаст напряжение якобы на клапан, оно пойдет на катушку реле. При срабатывании последнего одна линия питания (фаза + ноль) обеспечит открытие клапана для пропуска воды, вторая – одновременно с этим запустит насос.

Мнение эксперта:
Афанасьев Е.В.
Главный редактор проекта Stroyday.ru. Инженер.
Задать вопрос эксперту
Сложно, конечно, сказать, насколько велик риск такого случая, и насколько оправдано подобное усложнение (и общее удорожание) схемы. Подобные события, скорее, можно рассматривать в качестве исключения из правил. Но если появились какие-то признаки перегрева контактов в линии питания клапанов – есть смысл перейти на этот вариант.
«Бесконтактное» управление внешним насосом – используем герконы
А можно ли схему выполнить так, чтобы блок управления стиральной машинки «руководил» включением и выключением внешнего насоса в нужное время, но при этом вообще не нарушалась ее «родная» электрическая схема?
Да, такой вариант тоже возможен, если использовать возможности геркона – очень интересного элемента.

Внешний вид геркона и его условное обозначение на схеме.
Геркон представляет собой герметичную колбу, внутри которой расположены два контакта. При попадании элемента в электромагнитное поле определенной напряженности, происходит замыкание контактов (размыкание, если они нормально замкнутые, но нас интересует именно геркон, работающий на замыкание). При снятии поля (или уменьшении его напряженности ниже определённого порога) контакт разрывается.
На иллюстрации показан для примера геркон КЭМ-2, недорогой, распространенный и весьма надежный. Он здесь выглядит большим (просто «для знакомства»), но на деле длина его стеклянной колбы не превышает 21 мм, а диаметр – 3.2 мм. Он позволяет коммутировать цепь с напряжением до 180 В, током до 0,5 А, нагрузкой до 10 Вт.
Чувствительность (номинал магнитодвижущей силы на срабатывание и удержание) варьируется – выпускается несколько серий. Но это придется подбирать, видимо, опытным путем.
Как видим, включить такой геркон непосредственно в цепь насоса – невозможно. Но вот в управляющую цепь реле – запросто.

Принципиальная схема управления внешним насосом с герконом в управляющей цепи реле.
Желтым цветом показана цепь управления реле, отвечающего за пуск насоса. Цепь потребует собственного источника питания, номинал и тип (АС или DC) которого будет зависеть от параметров реле. Как правило, отдают предпочтение низковольтной схеме, для которой достаточно 5÷24 вольт, а подобных блоков питания в продаже – огромное изобилие, так что проблем не возникнет. Кстати, и с реле, подходящими для подобной схемы – тоже дефицита не предвидится.
Работает этот так:
- При подаче команды на набор воды в машинку катушкой клапана создается электромагнитное поле, вполне серьезное, чтобы преодолеть усилие пружины и отжать плунжер вверх.
- Это же электромагнитное поле, при правильном подборе геркона, вызовет замыкание его контактов.
- Замыкается цепь управления реле – подаётся питание на внешний насос.
- Вода набрана, напряжение с катушки клапана снимается, электромагнитное поле исчезает, геркон размыкается, насос остановлен.
Где разместить геркон?
- Некоторые мастера приклеивали его скотчем непосредственно снаружи катушки впускного клапана. Проводка машинки не тревожится, будет достаточно просто снять ее верхнюю крышку.
- Утверждается (воочию подтверждения не видел, но верю), что можно подобрать геркон с такими параметрами срабатывания, что его и вовсе можно разметить поверх крышки стиралки, даже не снимая ее. Никаких проблем с гарантией! Кроме того, есть и еще один плюс. Катушки двойного клапана расположены рядом, и геркон вполне может разместиться так, что попадет в электромагнитное поле обеих катушек. То есть при включении любого из клапанов будет срабатывать насос – не требуется дублирования схемы.
Одним словом, очень интересный вариант, и для пытливого домашнего мастера открывается широкое поле возможностей его реализации.
Оптимальное решение – специальная стиральная машинка-автомат для дачных условий
Действительно есть такая возможность?
Если проживание за городом в условиях без водопровода планируется длительным, но «отрываться» от комфорта, по крайней мере в стирке, желания нет, а на самостоятельные действия по «адаптации» обычной машинки недостаточно решимости или опыта, то можно приобрести специальный прибор. Да, именно так – известная словенская компания Gorenje подумала об этом, и в ее ассортименте есть и приборы для столь специфичных условий эксплуатации.
Пример – модель Gorenje W 72ZX1/R¸в комплекте с пластиковым резервуаром PS PL95 вместимостью 95 литров.

Стиральная машина, сама по себе позволяющая обходиться без нормального водопровода – Gorenje W 72ZX1/R+PS PL95 (комплект).
Такому прибору подключения по воде вовсе не требуется – достаточно наполнить любым удобным способом входящий в комплект бак. Его емкости хватает на любую стирку, а во многих случаях позволяет выполнить и две. Встроенный насос будет подавать воду в требуемом количестве в нужное время непосредственно из резервуара. Слив воды после стирки и полоскания производится обычным порядком.
В остальном же – это полноценная машина с широким выбором функций, то есть даже искушенная хозяйка, выполняющая стирку, не будет чувствовать себя каким-то образом ущемленной. Главное, чтобы помощники наполнили бак водой доверху…
Gorenje W 72ZX1/R+PS PL95
Нетривиальное решение – переделка обычной стиральной машины-автомата в «дачную»
Специальная машинка-автомат для «сельских» условий – недешева. И, видимо, это обстоятельство стимулировало автора следующего сюжета к переделке стандартной модели в «деревенскую». Как это выполнялось (очень подробно), и с каким конечным результатом (спойлер: все получилось!) – смотрите в прилагаемом видео:



