Винтовые сваи под баню — Строим баню или сауну

Устройство фундамента для бань на винтовых сваях

Современные технологии сегодня помогают ускорить процесс возведения бани на участке. Помимо стандартных ленточных фундаментов.
Все чаще начинают использовать винтовые сваи для устройства основания для бани.
Новые разработки придают сооружению устойчивость даже на непрочной почве или на воде.
Преимущества винтовых свай

Винтовая свая СВЛ-250/76-1000
- С помощью винтовых элементов можно с успехом возводить даже крупные постройки из бревен и бруса, не опасаясь неравномерных просадок. Независимо от типа почвы, усадка будет равномерной.
- Монтаж занимает небольшое время.
- Баню можно построить возле озера, реки или вблизи заводненных участков, независимо от уровня подземных вод.
- Во время смены сезонов опоры не смещаются.
- За счет своей острой формы, винтовые сваи хорошо заглубляются на нужную величину.
- Это сравнительно дешевый способ сделать фундамент (в сравнении с другими способами).
- Экологическая безопасность для окружающего ландшафта.
- Удобство и универсальность применения.
- Отсутствует необходимость выполнения земляных работ.
Сначала на очищенном от растительности участке осуществляется разметка по периметру фундамента. Затем начинается этап установки опор. Они могут устанавливаться на разном расстоянии. Точный промежуток между ними определяется особенностями почвы.
Если постройка будет небольшого размера, то достаточно их ввинчивать на расстояние 2-3 метра. При неоднородных почвах для прочности конструкции, сваи опускаются на разную глубину.
Толщина свай подбирается с учетом веса бани. Для небольших, облегченных сооружений берется диаметр от 90 мм.Установка винтовых опор может выполняться специалистами, но при незначительном весе конструкции и хорошем расположении участка, ее реально выполнить своими силами.
Когда ввинчено необходимое количество свай, на каждую из них при помощи сварки крепятся оголовки стандартного диаметра – 250 х 250 мм. Затем укладывается брус.
Если материалом для бани является оцилиндрованое бревно, то на оголовки крепится нижний венец.Опытные строители рекомендуют делать «запилы» только над площадками оголовков, так как все прочие могут ослабить брус и вызвать его прогибание.
Требования к бане из сруба

Баня на винтовых сваях
Пример расчета количества винтовых свай для бани из сруба 6 х 6
Для устройства сруба этого размера предполагается монтаж 11опор с установкой оголовков 25 х 25 с ребрами жесткости.
В центральном ряду выполняется обвязка 160 миллиметровым швеллером или ставится опорное бревно.
Особенности бани из срубов на винтовых сваях

Баня 6х6 с верандой
Пик роста применения винтовых свай приходится на последние пять лет. В сравнении прежними годами, процент строительства бань на этом типе фундамента вырос в несколько раз.
Для строительства используется бесстыковочная технология укладки бруса, когда роль ростверка выполняет нижний обвязочный венец. Он надежно скрепляет винтовые сваи, делая необязательной обвязку свайных элементов швеллером/брусом. Таким образом, достигается дополнительная прочность конструкции без ее удорожания.
А с учетом возможности установки бань на рыхлых или торфяниках – это единственный фундамент, который может гарантировать устойчивость и долговечность бани.
В средней полосе России сваи опускаются в почву ниже уровня промерзания примерно на 120 и более сантиметров. Такой сруб не будет деформироваться от пучения и оттаивания. После усадки баня на винтовых сваях не сместится, не перекосится и не просядет под своим весом. Лопасти винтовых свай «распираются» в почве, не давая строению сдвигаться.
Стоимость в сравнении

Процесс возведения фундамента
Разница в затратах на возведение 40 сантиметрового ленточного и свайного фундамента может доходить до 50 % в пользу последнего. Если же глубину первого увеличить, то разница может доходить до 90 и более процентов.
При монтаже свайного фундамента не требуется рытье котлована, и рабочая бригада из трех человек может потратить 1 день (или немного больше) на его установку.
В то время, как устройство ленточного основания требует существенных затрат времени и рабочей силы на подготовительные земляные работы, армирование, гидроизоляцию, стяжку и другие.
Однако при осуществлении ручного монтажа свай необходимы некоторые инструменты: бур, ключ для закручивания, отбойный молоток и прочие.
Фундамент на сваях, а точнее, высота цоколя получается в среднем около полуметра. На этой высоте производится обрезка и выравнивание труб по одной высоте. Считается допустимой высота оставшейся части трубы в 20 сантиметров (с учетом того, что к нему еще сваркой будет прикреплен оголовок).
Максимальная высота остатка сваи, которая не требует обвязки – 80 сантиметров. Если этот показатель выше или в основании слой рыхлой почвы более 50 сантиметров, то перевязка швеллером свай считается обязательной. Во избежание повреждений профиля, такая обвязка выполняется до начала укладки сруба.
Получившаяся под баней проветриваемая часть не требует укрывания, срок службы нижнего венца значительно увеличивается. Он практически не подвергается коррозии и гниению, соответственно, срок эксплуатации бани увеличивается в разы.
Некоторые владельцы бань на сваях предпочитают закрывать цокольную часть, руководствуясь эстетическими соображениями. Для этого применяют дерево, сайдинг, кирпич и другие материалы. Здесь следует оговориться, что если предполагается положить кирпич, то сначала нужно приварить швеллер над землей и подготовить под ним небольшую канаву для дальнейшей засыпки песком.
Фундамент для бани на винтовых сваях прочен, надежен и может выдерживать серьезные нагрузки. Элементы внедряются в любые почвы, позволяя возводить не только бани, но и другие здания на сложных грунтах и в разных климатических условиях.
Я в корне изменил свои устаревшие понятия о строительстве в целом и о бане как конечном результате моей работы в частности. Раньше я считал, что баня должна быть из бревна априори, ну как минимум из бруса. Сейчас я так не считаю и поэтому моё повествование будет о строительстве бани по каркасной технологии. Ценителям бревна и экологии сразу скажу следующее:
1. нынешние утеплители при всём своём разнообразии весьма экологичны и не оказывают отрицательного влияния на находящихся внутри помещения людей;
2. каркасное строение не требует отстоя в течение года для усадки;
3. так же не требуется периодической конопатки, как в случае с бревном/брусом;
4. из-за лёгкости каркасных строений рассчитывается и тип фундамента, который закладывают под них — в моём случае это сваи, а не 15 куб м бетона, вылитого в землю.
5. наверно, самая главная для меня причина — это возможность строить баню в одно лицо, чем собственно и занимаюсь.
Фундамент на винтовых сваях для бани. Особенности и технология возведения бани на винтовых сваях. Пошаговые рекомендации при постройке фундамента для банного комплекса.
Фундамент на винтовых сваях для бани – как правильно возвести
Новоиспечённые владельцы загородных домов, желающие возвести на своём участке баню, порой могут встретиться с таким неприятным фактором как грунтовые воды, проходящие близко к поверхности участка. Пучинистый грунт может создать проблемы при строительстве фундамента и стать причиной непредвиденных затрат.
В данном случае также не маловажно определиться в типом фундамента, при котором можно было бы исключить осадку сооружения весной.

Самым оптимальным вариантом для любых видов проблемных грунтов является винтовой фундамент под баню.Свайно — винтовой фундамент с успехом использовался в строительстве ещё в 19 веке. В последнее время использование данной технологии приобрело популярность во всем мире за сравнительно короткое время.
Процесс ввинчивания сваи в грунт относительно прост, и установку вполне возможно осуществить своими руками, при этом необходимо соблюсти ряд важных особенностей в работе, от которых будет зависеть долговечность строительства. Именно этот процесс, мы постараемся максимально подробно и профессионально обсудить в этой статье.
Основные преимущества
Благодаря целому ряду преимуществ фундамент под баню на винтовых сваях стал очень востребованным в дачном и загородном строительстве. Винтовые сваи устойчивы к морозным температурам, могут использоваться на любом грунте (узнайте также какой должна быть глубина фундамента под баню).
Рассмотрим основные преимущества свайно-винтового фундамента:
Винтовая свая
Винтовая свая – это металлическая свая, которую углубляют в грунт путём завинчивания. Данное строительное изделие состоит из ствола, оголовка и лопасти, и имеет схожесть с огромным шурупом. Благодаря своей конструкции свая способна достаточно легко войти в грунт, уплотняя его, что значительно повышает опорную способность .

Винтовые сваи покрыты специальным составом, в основу которого входят эпоксидные смолы и эмали. Данное антикоррозийное покрытие используется также для покраски надводных и подводных частей кораблей.
Согласно статистическим данным несущая способность таких конструкций достаточно высока , если учитывать их заглубление примерно на 1,7-1,8 метра.
Монтаж свайно-винтового фундамента
Монтаж фундамента на винтовых сваях возможен как на неровных, так и на затопляемых участках, а также на ухоженных газонах без причинения ему вреда. Таким образом при установке бани на винтовом фундаменте нет необходимости в нарушении природного рельефа.
Подготовка участка
Перед началом монтажа необходимо провести ряд подготовительных работ. На данном этапе немаловажную роль играет подготовка участка.
Если место под строительство занято строительным или бытовым мусором, то необходимо убрать все посторонние предметы и расчистить территорию. Также при наличии котлованов и траншеи следует их тщательно засыпать.

Установка винтовых свай с помощью специальной техники
Очень важно на этапе разработки проекта учитывать наличие различных препятствий. Такими препятствиями могут стать , к примеру, крупное дерево или не выкорчеванный пень, иногда встречается препятствие в виде бетонных плит и остатков старого фундамента. Необходимо позаботиться об их устранении.
Инструмент
Для того, чтобы сделать качественный фундамент под баню на винтовых сваях, нужно приобрести весь необходимый инструмент:
Разметка свайного поля
Перед возведением фундамента на винтовых сваях необходимо предварительно рассчитать количество свай и расстояние между ними, а также произвести разметку свайного поля по всему периметру.
Винтовые сваи под фундамент врезаются в плотные слои почвы, чтобы правильно определить, уровень глубины устойчивого пласта грунта, лучше всего обратиться к профессионалам. Помимо этого, для точного расчета будущего фундамента рекомендуется также учитывать вес будущего строения, колебания грунтовых вод, тип почвы и климатические условия местности.

Разметка участка для будущей установки свай
Количество необходимых свай зависит от размеров будущей бани. Столбы необходимо равномерно распределять под постройкой, не забывая про углы внутренних стен. Длина части сваи, которая выступает над землёй, составляет 0,5 м, её обычно спрячут за фальшивым цоколем или оставляют открытой.
Технология монтажа винтовых свай предусматривает последовательность работ, которые пошагово описывает данная инструкция:
- Устанавливаем сваю в угловую лунку, крепим магнитный уровень и в монтажное отверстие вставляем лом;
Обратите внимание! Для операции завинчивания свай рекомендуется привлечение трёх человек. Двое, из которых будут прокручивать сваю при помощи лома, а третий человек, необходим для контроля возможного смещения сваи.

На данном фото показано вкручивание винтовой сваи
- Свая должна углубиться в несущий грунт на 1/3 метра;
- При осуществлении данных работ постоянно контролируете положение трубы магнитным уровнем;
- Таким образом выставляются четыре угловые сваи;
- При помощи водяного уровня выводим их на одинаковую проектную высоту;
- По окончании монтажа угловых свай аналогично следует монтировать промежуточные сваи;
- Затем рычаги наращивают до длины трех метров и прокручивают сваю четырьмя работниками до тех пор , пока она не будет стоять на месте. Это означает , что бур уперся в твердый слой;
- На заключительном этапе установки винтовых свай с помощью гидроуровня выравнивают их согласно уже установленным угловым сваям;
Совет! Промежуточные трубы можно подогнать срезая концы болгаркой.
- После установки внутренние полости свай заливают цементно-песчаным раствором. Это усиливает конструкцию фундамента;
- На торцевую часть выступающих винтовых труб необходимо установить оголовки;
- Из трубы, диаметр которой изнутри меньше диаметра сваи снаружи, изготавливаем оголовок;
- Берём пластину 250×250 мм и шириной 10 мм, для монтажной площадки оголовка;
- После установки оголовков их положение следует проверить водяным уровнем, затем обварить;
- Все сварные швы и оголовок грунтуют и два раза прокрашивают эмалью;
Монтаж свайно-винтового фундамента зимой
Свайно-винтовой фундамент является единственным типом фундамента, возведение которого возможно даже в зимнее время года и при любых температурах.
При этом снег с участка под строительство бани следует убирать непосредственно перед монтажом, для того, чтобы предотвратить глубокое промерзание грунта. Единственным условием является расчищенная дорога к стройплощадке для свободного прохождения строительной техники.

Установка винтового фундамента зимой
После того, как территория для застройки хорошенько расчищена, осуществляют разметку свайного поля. Промерзший грунт на нужных участках убирается с помощью отбойников. После монтажа, сваи подрезают под один уровень и заливают раствором из цемента и песка.
В заключении
В заключении стоит отметить, что винтовой фундамент для бани является самым удачным вариантом для участков с высоким уровнем залегания грунтовых вод, или на территории с сложным ландшафтом. Наша подробная статья поможет даже начинающему строителю в проведении всех этапов работ и даст точное представление об этом типе фундамента, об условиях его применения (узнайте здесь, зачем нужна баня без фундамента).

Баня сконструированная на фундаменте данного типа
Бани на винтовом фундаменте способны служить долгое время и значительно снизить затраты на строительство. Кроме того, возведение такого фундамента сокращает время и даёт возможность построить баню даже в зимнее время.
Фундамент на винтовых сваях для бани: видео-инструкция по монтажу своими руками, фото и цена
Винтовые сваи под баню

В советское время правильным подходом к использованию полезной площади считалась засадка ее растениями, кустами, деревьями. Нынче же владельцы частных участков предпочитают располагать на нем зимний сад или небольшую теплицу, беседку, навес для авто. Но в обязательном порядке баньку.
Настоящую, добротную русскую баню с несколькими отдельными помещениями. С таким прицелом, чтобы пользоваться строением могло не одно поколение жителей. В качестве строительного материала чаще всего выбирается дерево, кирпич или бетон. А из размеров наиболее популярны 3х4, 4х4. Такая конструкция будет обладать значительным весом, а значит, будет требовать заливки фундамента.
Большинство пользователей отдают предпочтение обычному ленточному фундаменту, обустроить который можно без специальных навыков. Однако строительство на берегу реки или на сложной почве, при высоком уровне грунтовых вод или в том случае, если рельеф местности не ровный выдвигает свои требования к фундаменту. Заливать ленточный фундамент в этом случае невозможно или очень дорого. Вот тут то и приходит на выручку прогресс, с его достижениями. Идеальным вариантом, который позволит учесть все выше названные характеристики, будет использование винтовых свай.
Сваи это металлические трубы длиной от 1500 до 12 000 мм. Вкрутить их можно как вручную с использованием рычага, так и механическим способом с помощью техники. За счет своей длины они достигают твердого грунта, что обеспечивает надежную установку.



К другим преимуществам свайного фундамента для бани относится:


Монтаж винтовых свай происходит следующим образом:
Если вы решили сделать это самостоятельно, приобретайте сваи длиной не более 1 500 мм. Ведь глубина промерзания грунта в центральной части РФ не превышает этот показатель. Кроме того, так их можно будет закрутить силой 2-3 человек. В случае необходимости уже закрученные сваи можно удлинить, приварив к ним отрезок трубы. Обязательно проверяйте правильность установки по уровню.
При механическом способе выбирайте требуемую длину:

после того, как все сваи будут установлены их необходимо выровнять относительно горизонтали. Ведь установить все сваи так, чтобы над поверхностью оставалась нужная высота не под силу даже профессионалу. Поэтому их подрезают;
Из приведенного видно, что свайный фундамент для бани обладает целым рядом существенных преимуществ. Дает возможность выполнить работу быстро и своими руками. А также гарантирует длительную и надежную эксплуатацию строения.
Настоящую, добротную русскую баню с несколькими отдельными помещениями можно построить с использованием винтовых свай.
Сваи под фундамент бани
Любое строительство начинается с обустройства фундамента и баня – не исключение. Еще наши предки ставили бани на свайных забивных фундаментах, применяя для этого древесину, например, лиственницу. Сегодня в качестве опор применяются винтовые сваи, которые представляют собой трубы с режущими лопастями и конусообразным наконечником.

Сваи под фундамент бани
Конечно, прежде чем заняться строительством, следует узнать, где применяют винтовые сваи, их достоинства и недостатки, выполнить расчет нагрузки и ответственно подойти к приобретению этих изделий, различающихся формой наконечника, материалом изготовления и габаритами.
Применение винтовых свай

Винтовые сваи

Сваи под фундамент бани
Винтовые сваи используются для возведения всех типов зданий (как из древесины, так и более тяжелых материалов), заборов, беседок, веранд и т.п. На свайном фундаменте можно возводить стены небольшой дачной баньки или целого банного комплекса площадью более 150 кв.м.
В основном свайные фундаменты закладывают на сильно обводненных и вечномерзлых почвах, вблизи водоемов, при повышенных рисках вешних паводков, а также на сложных рельефах, например, склонах и пригорках, в тех местах, где запрещено обустраивать классические ленточные и плитные основания.
Свайное основание подходит для любого типа почв (в том числе сильнопучинистых), а уровень грунтовых вод не играет абсолютно никакой роли. Баня на свайном основании (при условии строго следования технологии обустройства фундамента) становится сейсмоустойчивой – трубы прочно закреплены в грунте и не подвергаются силам морозного пучения.
На заметку! Первые винтовые сваи были использованы в 1838 году при строительстве маяка в устье р. Темзы. Автором идеи стал инженер А. Митчелл.
Виды винтовых свай
Стоит отметить, что выбор винтовых свай – дело ответственное. Изделия из некачественного материала сгниют уже через 15-30 лет, в то время как нержавейка верно прослужит более 50-70 лет.
Классификация свай по диаметру
Рассмотрим подробнее форму наконечников.






Сваи для вечномерзлых грунтов (СВСМ)
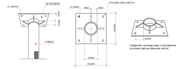
Последнее отличие свай – их оголовок. Эта деталь крепится к установленным сваям и удерживает первый венец бруса, плиту или ростверк. При монтаже оголовки свай всего фундамента располагают строго на одном горизонтальном уровне, иначе произойдет перекос всего здания.

Оголовок винтовой сваи
Оголовки бывают стандартными и усиленными. Последние применяются для строительства тяжелых кирпичных/блочных домов. Все типы оголовков приобретаются с учетом предполагаемой проектной нагрузки, внутренний диаметр изделия должен чуть превышать диаметр сваи, чтобы соединение (оголовок надевается на сваю сверху, как крышка на стакан) было плотным. Сварка при соединении применяется инверторная – фиксация производится не по всей окружности, а сначала в 3-4 точках, затем – по окружности, но шов не замыкается (расстояние до 3-4 см между крайними точками шва). Для сварки используют электроды диаметром 2-3 мм. Для съемных оголовков сварка не используется, фиксация осуществляется болтами, которые закручивают гаечным ключом.

Оголовок с площадкой

Обратите внимание на регулируемые оголовки. Их быстро устанавливают без сварки, конструкция позволяет производить регулировку положения даже после неравномерной усадки грунта, что случается очень часто.

Форма оголовка может быть тавровой, квадратной, многоугольной, круглой. Оголовки всех типов имеют 4 или 6 отверстий для анкерных болтов.

Некоторые виды оголовков свай
Часто вместо оголовков применяют обвязку из швеллера, что считается более удобным для домов и бань, например, из газоблока либо при укладке ж/б плит перекрытия. Также из швеллера выполняют усиление свайного фундамента, приваривая его по периметру или крест-накрест между соседними сваями.
Проектирование фундамента основывается на требованиях СНиП 2.02.03-85, СП 50-102-2003, СНиП 23-01-99, ГОСТ 10705-80, ГОСТ 3262-75.
Коротко о достоинствах фундамента свайно-винтового
Главное достоинство свайно-винтового фундамента – это скорость выполнения работ. Бригада рабочих из 4 человек обустраивают основание под дом габаритами 10х11 м из 27 свай всего за 4-5 дней. В одиночку непрофессионалу потребуется в два раза больше времени, но это все равно гораздо меньше, чем требуется на заливку и период высыхания любого бетонного основания. Сразу после того, как будет установлен последний оголовок, можно приступать к строительству стен бани.

Строительство стен начинается сразу после монтажа оголовков
Вторая причина популярности свайно-винтового фундамента – бюджетность операций. К примеру, в Ленинградской области стоимость работ по установке 25-27 стандартных свай длиной 2,5 метра будет стоить примерно 90 тысяч рублей. Те же работы, но не на ровном участке, а на склоне обойдутся в полтора раза дороже (учитывается и стоимость услуг рабочих).

Стоимость винтовых свай
Третья причина – долговечность конструкции основания, но здесь есть ряд нюансов, влияющих на этот параметр, а именно:
Четвертое достоинство свайно-винтового основания – ремонтопригодность. Существует специальная технология, позволяющая заменить одну или сразу несколько опор. Для этого дом приподнимают на домкратах, дефектные сваи вынимают из грунта, а на их место вкручивают новые. Если дом крупногабаритный и требуется замена промежуточных опор, то разбирают небольшой участок пола. После установки сваи гидроизолируют, а дом опускают на его прежнее место. Вся процедура занимает не более трех дней и стоит в районе 50-80 тысяч рублей. Для сравнения – аналогичный ремонт ленточного основания обойдется более чем в 250 тысяч рублей с учетом работы специалистов и приобретения расходных материалов.

Свайно-винтовой фундамент ремонтируют, просто приподнимая дом на домкратах
Винтовые сваи крепко стоят в любом нестабильном грунте, т.к. почва сильно уплотняется вокруг наконечника и режущих лопастей, которые в свою очередь служат дополнительной защитой от выталкивания или просадки опоры. Специальные регулируемые оголовки позволят выровнять горизонтальность постройки, даже если произойдет небольшая просадка. Свайно-винтовой фундамент отлично подходит для строительства бань в любом уголке России.
Недостатки свайно-винтовых фундаментов
Сваи могут быть установлены на любом типе почвы и в любой сезон, однако стоит знать, что если в месте монтажа конструкции ранее находился дачный туалет или была выгребная яма, свая не выдержит возложенной на нее нагрузки, а баня просядет или поведет одну из ее сторон.
Также к недостаткам можно отнести необходимость обслуживания свай. Примерно каждые пять лет придется обкапывать каждую сваю на полметра и обрабатывать выступающий участок трубы антикоррозионными составами. Позволительно обойтись и без этой меры, но фундамент прослужит гораздо меньше, велика вероятность того, что трубы сгниют.
Сваи нельзя устанавливать под наклоном. При самостоятельном вкручивании опор строгой вертикальности добиться достаточно трудно. Стоит знать, что косо вкрученная свая теряет до 20% от своего запаса несущей способности, высока вероятность просадки.
Еще один из недостатков – большая сложность, а иногда и невозможность устройства погреба, подполья, цокольного этажа. Впрочем, для бани этот вопрос редко актуален. С другой стороны, в противовес этому недостатку стоит отметить удобство монтажа канализационной и водопроводной систем, в сравнении с бетонными/железобетонными и иными основаниями.
Последний недостаток стальных винтовых опор – их свойство проводить холод глубоко в грунт. Поэтому, во-первых, требуется вкручивание опор примерно на 20 сантиметром ниже уровня промерзания грунта, во-вторых, как уже отмечалось, просто необходимо обустройство утепления самого фундамента, цоколя и пола в помещениях.

Отделка фундамента

Процесс отделки свайного фундамента кирпичом

Облицованный фундамент. Вид изнутри

Обвязанный фундамент с отделкой цоколя

Облицовка
Важные рекомендации до установки фундамента
- Даже для легкой каркасной бани не используйте сваи с толщиной стенки 3 мм. Только 4 или 5 мм. У трехмиллиметровых изделий запас прочности ниже в разы.
- Доверьте работу профессионалам. Каждая свая должна быть закручена основательно. Если недокрутить сваю даже на 20 см, она обязательно через несколько сезонов уйдет вниз. Если просядут сразу несколько свай, это очень печально закончится для всего сооружения.
- Не гнушайтесь проверять и перепроверять. При установке свай проверяются углы, диагонали, а также ровность вкручивания свай сразу в двух плоскостях (используется пузырьковый уровень с магнитным креплением и натянутый шнур-ориентир).
Монтаж свайно-винтового фундамента
Основные этапы обустройства свайно-винтового фундамента – выполнение проекта, разметка на местности, выкапывание лунок, непосредственно вкручивание сваи, заливка в сваю цементно-песчаного раствора с морозоустойчивыми присадками, монтаж оголовка. Иногда к этому перечню добавляется пробное вкручивание сваи на участке и ее испытание на просадку под нагрузкой.

Делаем проект

Общий вид фундамента в проекте. Обвязка из бруса

Нагрузки на каждую из свай
При расчетах учитываются следующие нагрузки:
Примеры расчетов нагрузки можно скачать ниже.
После проведенных вычислений начертите на линованной бумаге стены вашей бани, причем не только внешние, но и все внутренние в масштабе. Под каждой из этих стен будут расположены сваи-опоры. Расстояние между соседними сваями выбирается в пределах 50-300 мм (чем тяжелее здание, тем меньше шаг), причем шаг установки необходимо делать равным между всеми опорами.
Делаем разметку
Никакой подготовки участка и земляных работ не требуется. Запасаемся лазерным уровнем, дальномером, колышками, шнуром, отвесом и начинаем разметку.

Схема свайного поля

Помните! Согласно СНиП, нельзя строить баню на расстоянии менее одного метра от границы соседнего участка.
Первые колья будем ставить по углам. Используя отвес, строго вертикально втыкаем первый кол в почву. Это будет первый угол бани. Откладываем расстояние от этого колышка до второго и третьего угла, вставляем колья. Аналогично устанавливаем четвертый и дальнейшие (например, если баня с эркером и т.п.) колья, указывающие местоположение углов бани. Используя рулетку и дальномер, проверяем соответствие размеров, а также равенство диагоналей.
Теперь находим кол, зафиксированный в самой высокой точке (если участок с уклоном), отмеряем от грунта 50 см, делаем пометку маркером на колышке. По этой отметке привязываем шнур.
Используем уровень и дальномер. Строго горизонтально натягиваем шнур по периметру будущей бани.
Остается установить колья, которые укажут местоположение промежуточных свай по периметру, а затем натянуть шнур между ними и в точках пересечения определить места установки опор под будущим полом.

По готовым чертежам специалисты производят разметку свайного поля
Совет! Удобнее использовать двойной шнур, чтобы быстрее и точнее определять точки вкручивания винтовых опор.
Отдельно для печи стоит установить сваи опоры, не связанные с общим фундаментом дома, в количестве 9-12 штук. Габариты печного фундамента должны быть больше на 10-15 см габаритов самой печи.
Устанавливаем сваи вручную

Устанавливаем сваи вручную
Для бани чаще всего используют сваи диаметром 108 мм или чуть более, если местность болотистая. У изделий такого диаметра есть монтажное отверстие, куда будет вставлен лом-рычаг. Позаботьтесь о присутствии на стройплощадке нескольких (минимум двух) крепких мужчин для вкручивания сваи, а также нужен человек, который будет следить за вертикальностью установки каждой опоры.
Порядок действий представлен в таблице.


Один человек придерживает ствол сваи вертикально, еще двое – держатся руками за полые трубки и проворачивают сваю по часовой стрелке.
Грунт под винтами сваи не разрыхляется, а уплотняется.
Установите сваи по углам, затем – между ними (под стенами и полом).

Как узнать, что свая встала на место?
Можно считать сваю установленной, когда стенка сваи в области монтажного отверстия начнет деформироваться, то есть углубление сваи станет невозможным, а усилие, оказываемое работниками, позволит слегка смять металл сваи.



Напомним, что оголовки свай должны лежать строго на одном горизонтальном уровне, поэтому внимательно отнеситесь к этапу разметки.
«Лишние» части свай срежьте болгаркой, ориентируясь на разметку. Отшлифуйте линию среза (используйте шлифовальный диск).


Воронка для заливки бетона

Воронка для заливки бетона
Рецепт приготовления бетонной смеси самостоятельно таков:
– 1 ведро цемента М400;
– 3-4 ведра гравийно-песчаной смеси или песка;
– чуть больше половины ведра воды.
Сначала перемешиваются сухие компоненты, только затем добавляется жидкость. Для удобства стоит пользоваться строительным миксером или портативной бетономешалкой. Перемещать раствор по стройплощадке удобно в тачке объемом 150 литров.
В зимний период используйте морозостойкие присадки, пластификаторы. При заливке пользуйтесь воронкой (можно изготовить из листа жести, свернув его и скрепив клепками). Уплотните залитый бетон, несколько раз воткнув внутрь металлический пруток арматуры (диаметр 10 мм). Пруток оставляйте внутри сваи, проследите, чтобы верхний край прутка не доходил до кромки сваи примерно на 2-3 см.
Через небольшой промежуток времени застывающая смесь осядет, выступит вода. Появившиеся пустоты можно залить той же бетонной смесью или просто заполнить песком, утрамбовав его до верхних кромок свай.

Арматура в свае

Напильником делают риску

Напильником делают риску



Снимите оголовок. Произведите зачистку кромок свай шлифовальным диском вплоть до намеченной риски. Счищайте краску до металла. Аналогично очищайте от краски нижнюю кромку оголовков (для соединения сваркой).
Плотно насадите оголовок на сваю. Проверьте его горизонтальность по двум осям, используя уровень. Проверьте правильность положения углов оголовка.
Используйте электрод 3 мм, сварочный ток номиналом 90-100 А. «Прихватите» стык в 3-4 точках, после чего сделайте сварной шов, оставив незаваренными до 40 мм.
Готовый шов зачищайте напильником.
Покройте сваю и сварной шов несколькими слоями защитной антикоррозионной краски.
Съемные и регулируемые оголовки приваривать не требуется. Их устанавливают в нужное положение, после чего просто затягивают болты крепежа.

Усиление. Установка раскосов или обвязки-усиления
Обратите внимание! Если вы вкрутили сваю криво, вытащили ее из грунта, не пытайтесь вернуть опору в ту же лунку. Несущая способность грунта в имеющейся лунке сильно нарушена, свая 100% просядет или ее «поведет».
Установку свай удобнее и быстрее выполнять механизированным методом. Установка для вкручивания свай небольшая по объему, может проехать даже на дачный участок.

Монтаж винтовых свай
После того как установка завершена, производят укладку ростверка или обвязку швеллером/брусом.

Обвязка фундамента швеллером
Когда баня будет выстроена, не забудьте сделать утепленную отмостку и закрыть пространство между почвой и первым венцом бани любым типом сайдинга, например, фибропанелями, предусмотрев как минимум два вентиляционных отверстия, закрытых решетками, на каждые 4-5 метров стены.
А что, если длины винтовой сваи недостаточно?
Ситуации в строительстве бывают разные, равно как и рельеф участков, где происходит возведение домов и бань. Несмотря на то, что можно приобрести шестиметровые винтовые сваи, этой длины иногда оказывается недостаточно (например, на участках с торфяным грунтом, где точка залегания плотного грунта может оказаться очень глубоко). В этом случае используют проверенную годами технологию безопасного наращивания свай с применением муфт.
Обратите внимание! Вручную закрутить составные сваи длиной более 10 метров невозможно. Уточните стоимость оказания услуг по вкручиванию свай в строительных компаниях вашего региона.
Последовательность монтажа следующая:


Составные винтовые сваи
Как показала практика, составные сваи длиной до 15-25 метров прекрасно выполняют возложенную на них функцию. Но если в грунте попросту невозможно найти «дно», имеет смысл установить обычные шестиметровые сваи, вкрутив их в грунт до упора, а затем установить опалубку и залить бетонную ленту. Такой вариант называется «висячие сваи» и часто применяется на болотистых плывучих грунтах, где классический ленточный фундамент медленно тонет, а сваи проседают, не удерживая постройку.
Узнай, как выбрать Сваи под фундамент бани, о достоинствах и недостатках свайно-винтового фундамента. Пошаговая инструкция по монтажу, фото + видео.
Все о винтовом фундаменте под баню

В настоящее время ни одна отрасль не стоит на месте, это касается и строительства, в частности, фундамента. Все чаще застройщиков интересует свайный тип, благодаря которому можно решить проблемы со сложными грунтами без предварительной очистки территорий. Винтовой фундамент для бани обладает большим количеством преимуществ, вследствие чего и набирает большую популярность.
Особенности и недостатки свайного типа фундамента
Свайный фундамент представляет собой прочное основание, не требующее предварительной подготовки почвы. Он является идеальным вариантом для бани и других легких зданий, которые строятся на ненадежных грунтах (песчаных или торфяных). Следует отметить и другие его преимущества:
- Во время строительства основания на сваях не требуется привлечения никакой строительной техники. Все можно сделать своими руками, главное – приложить усилия.
- Высокая скорость работ. Чтобы произвести все работы, винтовой фундамент для бани потребует не более двух дней.

Несмотря на многочисленные преимущества основания на сваях, у него есть немало недостатков, которые также необходимо принимать во внимание:

- Из-за невозможности сделать подполье, в зимнее время канализационные системы подвержены промерзанию.
- По долговечности винтовой фундамент под баню уступает бетонному, так как под действием коррозии сваи со временем разрушаются.
- Несмотря на отсутствие земляных и других работ установка цоколя не так уж и дешево обходится.
- Нет возможности контролировать закручивание свай в землю, но на них может повредиться покрытие, предотвращающее коррозию, вследствие чего материал быстрее портится.
Для многих застройщиков достоинства конструкции намного превышают недостатки, но перед работами необходимо проанализировать те и другие, что позволит принять наиболее приемлемое решение.
Пошаговое строительство свайного фундамента
Возвести фундамент для бани на сваях можно максимум за два дня, для этого не потребуется привлекать механизированную технику. Главное – выполнить все работы правильно.
На данном этапе необходимо рассчитать диаметр свай, их количество и расстояние, которое должно между ними проходить. Как правило, их ввинчивают через каждые три метра, но могут быть исключения. В любом случае потребуется анализ почвы, позволяющий выявить все нюансы.
2 этап – подготовка участка.
Винтовой фундамент устанавливают

независимо от времени года. Необходимо только очистить подготовленный для строительства участок от веток, а также убедиться в отсутствии трубопровода и прокладки подземного кабеля. Узнать о них можно по специальным указателям, которые должны находиться в таких местах.
3 этап – правильная расстановка свай.
Во время проектирования отмечаются все места, в которые должны быть ввинчены сваи, но делается это не до конца. Здесь вполне закономерен вопрос, когда нужно остановить процесс ввинчивания. Ответ достаточно прост – на глубине, рассчитанной в проекте, сталь будет гнуться, в этот момент и нужно остановиться.
Вкручивать сваи нужно следующим образом:
- Для каждой сваи делается углубление (глубиной 15-20 сантиметров).
- Она ставится в предварительно подготовленную яму, в которую вставляется лом, имеющий квадратную форму трубы. В результате получается своеобразный рычаг.
- Строят винтовой фундамент, ввинчивая в землю сваи, используя получившийся рычаг. Главное – контролировать уровень высоты свай, все остальные работы осуществляются очень просто.
- Выравнивание должно производиться изначально, иначе потом это будет весьма сложно. Проверить данный показатель можно с помощью обычного уровня.
4 этап – процесс выравнивания и бетонирования свай.
После выравнивания всех свай можно приступать к их бетонированию. Так как все сваи окажутся разной высоты, после окончания бетонирования их необходимо подрезать болгаркой на идеально ровном основании. Максимальное расстояние до земли не должно превышать 60 сантиметров.
Бетонируется свайный фундамент к бане не только для прочности, таким способом из него выгоняется воздух. Для засыпки используется смесь из песка и цемента (35 кг в каждую сваю).
5 этап – устанавливаем обвязку.
После того, как цемент застынет, можно

приступать к обвязке, для которой используется брус. Их нужно притянуть к головкам шурупами-глухарями, которые можно купить в любом магазине строительных материалов.
Все швы в свайном фундаменте для бани обрабатываются специальным эпоксидным составом. Также для этого можно использовать обычную эмаль.
Чтобы винтовой фундамент был прочным и долговечным, необходимо соблюдать всю технологию, не допуская ошибок:
- Не пытайтесь при ввинчивании свай уравнивать их над поверхностью, это приведет к разрыхлению почвы.
- Сваи не должны отклоняться от вертикали.
- Если свая попала в нестабильный грунт, ее необходимо ввинтить глубже.
- Если сваи не забетонировать, винтовой фундамент в скором времени разрушится из-за коррозии.
Свайный фундамент для бани требует особого внимания, терпения и аккуратности. Соблюдая технологию постройки, вы сможете построить прочное здание, которое прослужит на протяжении долгих лет.
Все о винтовом фундаменте под баню В настоящее время ни одна отрасль не стоит на месте, это касается и строительства, в частности, фундамента. Все чаще застройщиков интересует свайный тип,